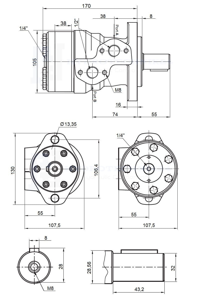
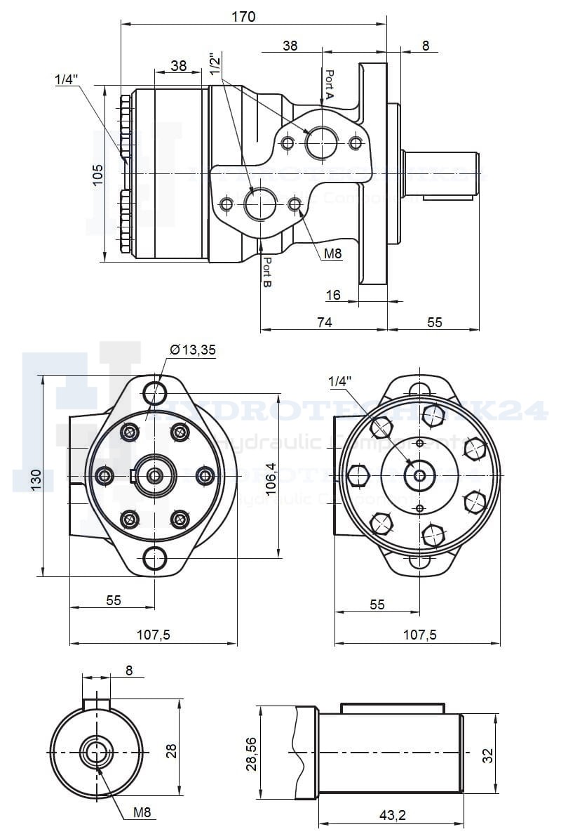
Hydraulikmotor Orbitmotoren Typ BMR Schluckvolumen 200 cm3/Umdr Max. Drehzahl 300 U/min, Welle 32 mm + Halteplatte 90° und Buchse
Regular price:
Regular price:
product unavailable
zur Wunschliste hinzufügen
Beschreibung

Anwendung:
- Wickelmaschine, Feldhäcksler
- Kehrmaschinen, Sandstreuer, Schneefräsen
- Förderantriebe
- Holzhäcksler, Astzerkleinerer
- Forstwinden und Fahrzeugwinden
- Bohrgeräte auf den Boden
Technische Daten:
- Drehrichtung: beide Seiten
- Innengewinde im Körper: 2x BSP 1/2" und 1x BSP 1/4"
- Welle: 32mm
- Anschlüsse: seitliche Verbindung
- Gehäusematerial: Gusseisen
Empfohlener Öltemperaturbereich:
- Zulässige Umgebungstemperatur: -40°C bis +80°C
- Zulässige Öltemperatur: -15°C bis +80°C
Eigenschaften und Vorteile von Hydrotechnik24 BMR Hydraulikmotoren:
- kann in Reihe und parallel geschaltet werden
- hohes Anlaufdrehmoment und reibungsloser Betrieb direkt nach dem Start
- hoher Widerstand gegen axiale und radiale Kräfte
- einfache Installation
- niedriger Geräuschpegel
- lange Lebensdauer auch unter rauen Einsatzbedingungen
Maximale Parameter im Dauerbetrieb:
- Maximaler Durchfluss: 60 l/min
- Maximale Drehzahl: 300 U/min
- Maximaler Druck: 140 bar
- Maximale Leistung: 9 kW
- Maximales Drehmoment: 385 Nm
Maximale Parameter im temporären Betrieb maximal 6 Sekunden pro Minute:
- Maximaler Durchfluss: 75 l/min
- Maximale Drehzahl: 375 U/min
- Maximaler Druck: 175 bar
- Maximale Leistung: 12 kW
- Maximales Drehmoment: 460 Nm



Die Gesamte serie von BMR Hydraulikmotoren – Unten drunter die Tabelle für alle motoren aus dieser serie:
| Produkt-Code |
Schluckvolumen |
Max. Drehzahl [U/min] |
Max. Drehmoment [Nm] |
Max. Kraftabgabe [kW] |
Max. Betriebsdruck |
Max. Öldurchfluss [L/min] |
|||||
| cont.* | int.** | cont.* | int.** | cont.* | int.** | cont.* | int.** | cont.* | int.** | ||
| BMR 25 | 25,9 | 1550 | 1950 | 34 | 47 | 6,7 | 7,7 | 100 | 140 | 40 | 50 |
| BMR 32 | 32,5 | 1250 | 1550 | 41 | 56 | 6,4 | 7,5 | 100 | 140 | 40 | 50 |
| BMR 36 | 36,3 | 1125 | 1400 | 72 | 94 | 6,9 | 7,9 | 140 | 175 | 40 | 50 |
| BMR 50 | 51,5 | 775 | 970 | 100 | 130 | 7 | 8,5 | 165 | 195 | 40 | 50 |
| BMR 80 | 80,3 | 750 | 940 | 200 | 220 | 12,5 | 15 | 175 | 200 | 60 | 75 |
| BMR 100 | 99,8 | 600 | 750 | 240 | 280 | 13 | 15 | 175 | 200 | 60 | 75 |
| BMR 125 | 125,7 | 475 | 600 | 300 | 340 | 12,5 | 14,5 | 175 | 200 | 60 | 75 |
| BMR 160 | 159,6 | 375 | 470 | 390 | 430 | 11,5 | 14 | 175 | 200 | 60 | 75 |
| BMR 200 | 199,8 | 300 | 375 | 385 | 460 | 9 | 12 | 140 | 175 | 60 | 75 |
| BMR 250 | 250,1 | 240 | 300 | 390 | 470 | 8 | 9,5 | 110 | 140 | 60 | 75 |
| BMR 315 | 315,7 | 190 | 240 | 360 | 470 | 5 | 8 | 85 | 115 | 60 | 75 |
| BMR 400 | 397 | 150 | 190 | 380 | 470 | 4,8 | 6,8 | 65 | 90 | 65 | 75 |
cont.* - Maximale Parameter im Dauerbetrieb.
int.** - Maximale Parameter im kurzzeitigen Betrieb max. 6 Sekunden pro Minute.