Lenkorbitrol OSPC 80 ON 150N2150
Regular price:
Regular price:
product unavailable
zur Wunschliste hinzufügen
Beschreibung

Anwendung:
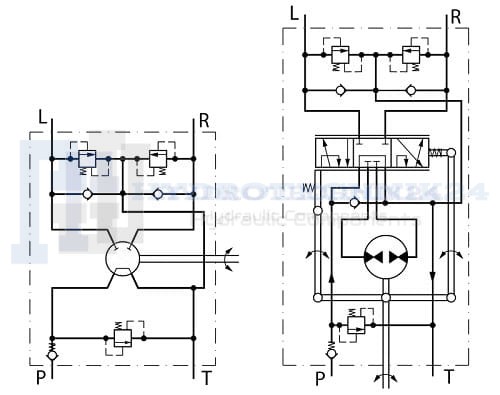
Das OSPC 80 ON Orbitrol ist für die hydraulische Steuerung des Lenksystems in landwirtschaftlichen Traktoren, Gabelstaplern, Baggern, Mähdreschern und Baumaschinen etc. bestimmt. Orbitrol mit dem ON-System (NORMAL OFFEN), bei stehendem Lenkrad fließt das Öl ungehindert durch das Orbitrol und gelangt zum Überlauf.
Technische Daten:
Orbitrol 80 mit dem ON-System (NORMAL OFFEN), während das Lenkrad stillsteht, zirkuliert das Öl ständig im System und fließt frei durch das Orbitrol, die Rücklaufleitung zum Reservoir, dann arbeitet die Pumpe, wird jedoch entladen.
- Anschlüsse: P, T, A, B Innengewinde [BSP]: 1/2"
- Befestigung der Lenksäule: 4x M10 Schraube - 16mm
- Ventileinstellung: Überlauf 160bar, Schock 240bar
- Geometrisches Volumen: 80cm3 / Umdr.
- Empfohlener Ölfluss im System: von 6 bis 10L/min.
- Material: Gusseisen


Vorteile von Hydrotechnik24 Hydraulischen Orbitrolen:
- Ein spezieller, verstärkter und präziser gefertigter Aufbau sorgt für eine einwandfreie Funktion ohne Undichtigkeiten, ohne Ruckeln des Lenkrads und vor allem für eine sehr leichte und leichtgängige Lenkung auch bei schwer beladenen Fahrzeugen.
- Jedes Orbitrol wird zusammen mit der Anleitung zum Anschluss der Hydraulikleitungen verschickt, wir bieten auch volle technische Unterstützung bei der Auswahl des passenden Orbitrols und bei der Montage.
- Produziert in Europa, stammt aus zuverlässiger Quelle, hat zwei Jahre Garantie, geprüfte Ware eines zuverlässigen Herstellers.
- Auch bei Ausfall des Traktors oder der Pumpe ist diese Funktion in Notsituationen, z.B. beim Abschleppen, sehr nützlich.