Lenkorbitrol OSPC 200 LS M+S HKUS200/5T 150-1234
Regular price:
Regular price:
product unavailable
zur Wunschliste hinzufügen
Beschreibung

Anwendung:
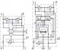
Das OSPC 200 LS orbitrol ist für die hydraulische Steuerung des Lenksystems in landwirtschaftlichen Traktoren, Gabelstaplern, Baggern, Mähdreschern und Baumaschinen vorgesehen, bei denen die Pumpe mit einem LS-Sensor ausgestattet ist.
Technische Daten:
Orbitrol 200 mit dem LS-System (LOAD SENSING), bei stehendem Lenkrad wird der Ölfluss durch das Orbitrol geschlossen, das Orbitrol hält dann den Druck im System. Das LS-System signalisiert der Pumpe jedes Mal, wenn das Lenkrad bewegt wird.
- Anschlüsse: P, T, L, R Innengewinde [BSP]: 1/2"
- Anschluss LS: Innengewinde [BSP] 1/4"
- V-Gewindebohrungen: 2x M10x1 - Tiefe: 16mm
- Gewindebohrungen B: 4x M10 - Tiefe: 18mm
- Ventileinstellung: Überlauf 160bar, Schock 240bar
- Geometrisches Volumen: 200cm3 / Umdr.
- Empfohlener Ölfluss im System: von 16 bis 24L/min.
- Material: Gusseisen


Vorteile von Hydrotechnik24 Hydraulischen Orbitrolen:
- Ein spezieller, verstärkter und präziser gefertigter Aufbau sorgt für eine einwandfreie Funktion ohne Undichtigkeiten, ohne Ruckeln des Lenkrads und vor allem für eine sehr leichte und leichtgängige Lenkung auch bei schwer beladenen Fahrzeugen.
- Jedes Orbitrol wird zusammen mit der Anleitung zum Anschluss der Hydraulikleitungen verschickt, wir bieten auch volle technische Unterstützung bei der Auswahl des passenden Orbitrols und bei der Montage.
- Produziert in Europa, stammt aus zuverlässiger Quelle, hat zwei Jahre Garantie, geprüfte Ware eines zuverlässigen Herstellers.
- Auch bei einem Traktor- oder Pumpenausfall gelenkt, ist diese Funktion in Notfällen, wie zum Beispiel beim Abschleppen, sehr nützlich.