zur Kasse insgesamt: 0,00 €

Pflugwendeventil VRAP80/100 für zwei hydraulikzylinder. Gewinde: 3/8", max. Druck: 230 bar - HT24

Verfügbarkeit: auf Lager
Lieferzeit: 1 - 3 Werktage (in Deutschland)
Delivery: Der Preis enthält keine möglichen Zahlungskosten. Überprüfen Sie die Liefermethoden.
Bruttopreis: 365,70 €

Regular price:

365.70
The lowest price during 30 days prior to the reduction:
Nettopreis: 307,31 €

Regular price:

The lowest price during 30 days prior to the reduction:
quantity Stk.

product unavailable

zur Wunschliste hinzufügen
Hersteller: Hydrotechnik24
Produktcode/SKU: 41.35.52.010.1

Beschreibung

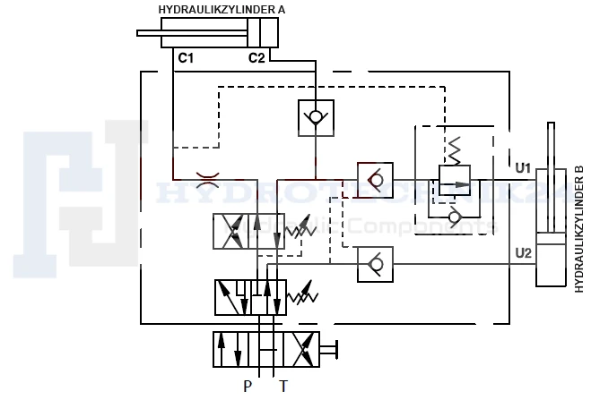
Anwendung:

Das Ventil ist für alle Pflüge geeignet, die mit zwei Hydraulikzylindern ausgestattet sind, wobei der Innendurchmesser des Zylinders im Bereich von 80 - 100 mm (Außendurchmesser im Bereich von 90 - 120 mm) liegt.


Funktionsprinzip:

Das Ventil schaltet im richtigen Moment den Ölfluss automatisch um, ändert die Bewegung des zwei Hydraulikzylinders und damit die Drehbewegung und Stellung des Pflugrahmensdes. Es ist mit einem Rückschlagventil ausgestattet, das den Pflug in der zuvor eingestellten Position sichert.


Verbindung:

  • Verbinden Sie C1 mit der Kolbenstange des Zylinders (A) und C2 mit dem Kolben des Zylinders (A).
  • Verbinden Sie U1 mit der Kolbenstange des Zylinders (B) und U2 mit dem Kolben des Zylinders (B).
  • Schließen Sie P und T an die Anschlüsse des Traktors oder an die Sektion des Hydraulikventils an.

Technische Daten:

  • Anzahl der Hydraulikanschlüsse im Gehäuse: 4
  • Innengewinde im Gehäuse [BSP]: 3/8''
  • Material: verzinkter Stahl
  • Zulässiger Maximaldruck: 400 bar
  • Maximale Einstellung des Umschaltventils: 250 bar
  • Werkseitige Einstellung des Umschaltventils: 150 bar
  • Zulässige Umgebungstemperatur: -40 °C bis +60 °C
  • Zulässige Öltemperatur: -15 °C bis +80 °C
  • Öltyp: Mineralölbasierendes Hydrauliköl

 

Technische Daten

Gewinde 3/8"

Safety

Versandkosten Der Preis enthält keine möglichen Zahlungskosten.

Versandland:
Zaloguj się
Passwort vergessen? Konto erstellen
nach oben
Shop is in view mode
Vollversion der Webseite
Sklep internetowy Shoper Premium