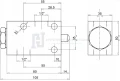
Hydraulisch Begrenzungsventil (Endschalter) V-121 Innengewinde: 1/2" Max. Durchfluß: 70L/min Max. Betriebsdruck: 350bar gesperrt Stellung
Regular price:
Regular price:
product unavailable
zur Wunschliste hinzufügen
Beschreibung

Anwendung:
Es wird häufig in hydraulischen Systemen in Landwirtschaft, Gartenbau, Forstwirtschaft, Bauwesen und allgemein in der Industrie eingesetzt.
Funktionsprinzip:
- Das Ventil ist normal geschlossen, das heißt in der werkstellung ist das öldurchfluss von (P) zu A Geschlossen, und von (A) zu (P) ist genau so Geschlossen, kann aber überbrückt werden, wenn der Schubdruck die Federkraft am Rückschlagventil übersteigt. Durch mechanisches Drücken des Schiebers wird der Ölfluss in beide Richtungen geöffnet.
Verbindung:
- Verbinden Sie P und A mit der Leitung, wo der Durchfluss geschlossen und geöffnet werden soll.
Technische Daten:
- Maximaler Durchfluss: 70 l / min
- Anzahl Hydraulikbohrungen im Gehäuse: 2
- Außengewinde im Gehäuse: 1/2" [BSP]
- Gehäusematerial: verzinkter Stahl
- Maximal zulässiger Druck: 350 bar
- Gewicht: 0.934 kg
Temperaturbereich und Öltyp:
- Zulässige Umgebungstemperatur: -40 C bis +60 C
- Zulässige Öltemperatur: -15 C bis +80 C
- Ölsorte: Hydrauliköl auf Mineralölbasis

