Handsteuerventil und pneumatik 2 Sektion 40l doppeltwirkend
Regular price:
Regular price:
product unavailable
zur Wunschliste hinzufügen
Beschreibung
Handsteuerventil und pneumatisch 2 Sektion 40l doppeltwirkend

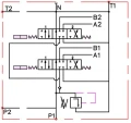
Ölanschlüsse:
P - G 1/2''
T - G 1/2''
A und B - G 3/8''
Im pneumatischen Körper - 1/8"
Max. Betriebsdruck:
P - 250 bar
T - 50 bar
A und B - 300 bar
DBV auf 175 bar eingestellt
Flüssigkeitstemperatur: -15°C ... +80°C
Steuerventil wird wie folgt angeschlossen:
P - Druckeingang von Pumpe
T - Rücklauf zum Tank
A und B - Zylinderanschlüsse
Zwei Jahre Garantie

Technische Daten
| Hersteller | Badestnost |
| Nenndurchfluss | 40 L/min |
| Die Anzahl der Sektionen | 2 |