Handsteuerventil 80L/min 2-Fach 1xDW 1xDW mit Schwimmstellung + Joystick 1 Knopf + 2x Bowdenzüge + Umschaltventil 6/2 12V
Regular price:
Regular price:
product unavailable
zur Wunschliste hinzufügen
Beschreibung

Die Zusammensetzung des Sets:
- Monoblockventil 2-fach 80L/min 1xdoppeltwirkend und 1xdoppeltwirkend mit Schwimmstellung
- Joystick mit Kugeln 1 Knopf (Anschluss möglich des Umschaltventil 6/2)
- zwei Bowdenzüge, Länge - nach Auswahl
- Umschaltventil 6/2 50L/min 12V
Anwendung:
- Das Set ist an verschiedene Maschinentypen angepasst, wie: Landmaschinen, Traktoren, Frontlader, HDS-Lader, Baumaschinen, Lader, Bagger, Kehrmaschinen, Industriemaschinen und andere hydraulisch gesteuerte Geräte, bei denen die Effizienz der Hydraulikpumpe nicht überschreitet 80L/min.
Monoblockventil:
- Maximaler Durchfluss bis zu 80 L/min.
- Steuerung von doppeltwierkenden Hydraulikzylindern.
- Es wird empfohlen, den Steuerblock mit Bowdenzüge und Joystick zu steuern.
- Garantie: 2 Jahre
Steuerung:
Der erste Dreistellungshebel (1 - 0 - 2),mit Federrückstellung, d.h. er kehrt selbst in die Vertikale zurück:
-
Nullstellung 0 (Hebel in senkrechter Stellung), die Kolbenstange des Hydraulikzylinder steht still - das Öl geht zum Überlauf.
-
Arbeitsstellung 1 (Hebel schräg nach vorne gestellt), die Kolbenstange des Hydraulikzylinder fährt aus.
-
Arbeitsstellung 2 (Hebel schräg nach hinten stellen), die Kolbenstange des Hydraulikzylinder fährt ein.
Der zweite Hebel mit vier Positionen (1 - 0 - 2 - 3), drei Positionen (1 - 0 - 2) mit Federrückstellung (der Hebel kehrt von selbst in die Vertikale zurück), Position (3) Schwimmstellung mit Raste (der Hebel stoppt in Schwimmstellung):
-
Neutrale 0-Stellung (Hebel in senkrechter Stellung), die Kolbenstange des Hydraulikzylinder steht - das Öl geht zum Überlauf.
-
Arbeitsstellung 1 (Hebel schräg nach vorne gestellt), die Kolbenstange des Hydraulikzylinder fährt aus.
-
Arbeitsstellung 2 (Hebel schräg nach hinten stellen), die Kolbenstange des Hydraulikzylinder fährt ein.
-
Arbeitsstellung 3, Schwimmstellung mit Raste (Joystick in hinterer Position), die Kolbenstange des Hydraulikzylinder ist lose, fährt frei aus und unter Einfluss der einwirkenden Kräfte.


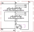
Verbindung:
- Anschlussgewinde P (Hydraulikpumpe): 1/2" Innengewinde
- Anschlussgewinde T (Rücklauf/Öltank): 3/4" Innengewinde
- Anschlussgewinde A und B (Hydraulikzylinder): 1/2" Innengewinde
- Anschlussgewinde N (Druckweiterführung): 3/4" Innengewinde
Druckbereich:
- Maximaler Druck auf die Versorgung: 250Bar
- Maximaler Druck am Rücklauf: 50Bar
- Maximaler Druck auf den Abschnitten: 300Bar
- Druckbegrenzungsventil (DBV) ist werkseitig auf 175 Bar eingestellt
Empfohlener Öltemperaturbereich:
- Zulässige Umgebungstemperatur: -40 C bis +60 C
- Zulässige Öltemperatur: -15 C bis +80 C
Joystick:
- Angepasst für die mechanische Steuerung von zwei Abschnitten im Hydrauliksteuerventil. 1 Taste und elektrischer Ausgang. Konstruktionselemente in Aluminium, Gehäuse aus starkem Kunststoff. Europäische Produktion von NIMCO, 2 Jahre Garantie.


Bowdenzüge:
- Länge - nach Auswahl
Gewinde von der Hydrauliksteuerventilseite:
Das Ende der Zeile auf der Joystick-Seite:
- Kugeldurchmesser 14 mm und Durchmesser des glatten Körpers 14 mm
Das Kabelende von der Verteilerseite:
- Spannglied mit Gewinde M6x1,5 und Gewindekörper M16x1,5.

Strom:
- Stromversorgung Gleichstrom (DC) 12V
Verbindung:
- Versorgung von der Verteilersektion (P1, P2): BSP 1/2 '' Innengewinde
- Ausgang zum Hydraulikzylinder Nr. 1 (A, B): BSP 1/2 '' Innengewinde
- Ausgang zum Hydraulikzylinder Nr.2 (C, D): BSP 1/2 '' Innengewinde
Druckbereich:
- Maximaler Versorgungsdruck: 210 Bar
- Maximaler Druck am Rücklauf: 50 Bar
- Maximaler Druck auf den Abschnitten: 250 Bar
Empfohlener Öltemperaturbereich:
- Zulässige Umgebungstemperatur: -40 C bis +60 C
- Zulässige Öltemperatur: -15 C bis +80 C
