zur Kasse insgesamt: 0,00 €

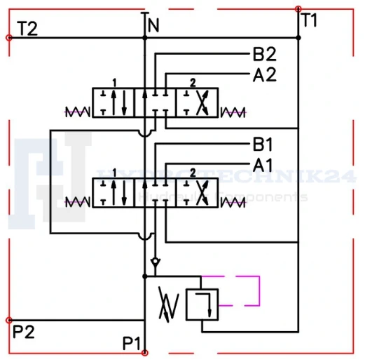
Handsteuerventil 80L 2-fach doppeltwirkend mit Kreuzhebel

Verfügbarkeit: auf Lager
Lieferzeit: 1 - 3 Werktage (in Deutschland)
Delivery: Der Preis enthält keine möglichen Zahlungskosten. Überprüfen Sie die Liefermethoden.
Bruttopreis: 235,80 €

Regular price:

235.80
The lowest price during 30 days prior to the reduction:
Nettopreis: 198,15 €

Regular price:

The lowest price during 30 days prior to the reduction:
quantity Stk.

product unavailable

zur Wunschliste hinzufügen
Hersteller: Badestnost
Produktcode/SKU: 41.10.10.029.10

Beschreibung

Anwendung:

Das Handsteuerverteiler ist an verschiedene Maschinentypen angepasst wie: Landmaschinen, Traktoren, Spritzen, HDS-Lader, Baumaschinen, Lader, Bagger, Kehrmaschinen, Industriemaschinen und andere hydraulisch gesteuerte Geräte.


Technische Daten:

  • Empfohlener Öldurchfluss im System: 0 - 80 l/min.
  • Beispielhafte Ansteuerung: Hydraulikzylinder doppeltwirkend
  • Möglichkeit der seriellen Anbindung an das bestehende System (Druckhülse erforderlich).

Steuerung:

Joystick mit fünf Positionen (1 - 2 - 0 - 3 - 4), mit Federrückstellung, d. h. er fährt von selbst in die senkrechte Position zurück:

  • Stellung 0 neutrale (Joystick senkrecht gestellt) Kolbenstange beider Zylinder steht - Öl geht in Überlauf.
  • Arbeitsstellung 1 (Joystickhebel in Schräglage) Die Kolbenstange des ersten Zylinders gleitet heraus.
  • Arbeitsstellung 2 (Joystickhebel in diagonaler Rückwärtsstellung) Die Kolbenstange des ersten Zylinders fährt ein.
  • Arbeitsstellung 3 (Joystickhebel schräg nach links) Die Kolbenstange des zweiten Zylinders gleitet heraus.
  • Arbeitsstellung 4 (Joystickhebel schräg nach rechts) zweite Kolbenstange fährt ein.

Verbindung:

  • Anschlussgewinde P (Hydraulikpumpe): 1/2" Innengewinde
  • Anschlussgewinde T (Rücklauf/Öltank): 3/4" Innengewinde
  • Anschlussgewinde A und B (Hydraulikzylinder): 1/2" Innengewinde
  • Anschlussgewinde N (Druckweiterführung): 3/4" Innengewinde

Druckbereich:

  • Maximaler Versorgungsdruck: 250Bar
  • Maximaler Druck am Rücklauf: 50Bar
  • Maximaler Druck auf den Abschnitten: 300Bar
  • Druckbegrenzungsventil (DBV) ist werkseitig auf 180 Bar eingestellt. Es wird empfohlen, den korrekten Druck vor der Inbetriebnahme zu überprüfen und einzustellen.

Empfohlener Öltemperaturbereich:

  • Zulässige Umgebungstemperatur: -40 C bis +60 C
  • Zulässige Öltemperatur: -15 C bis +80 C

Technische Daten

Hersteller Badestnost
Nenndurchfluss 80 L/min
Die Anzahl der Sektionen 2

Safety

Versandkosten Der Preis enthält keine möglichen Zahlungskosten.

Versandland:

Verwandte Artikel

Zaloguj się
Passwort vergessen? Konto erstellen
nach oben
Shop is in view mode
Vollversion der Webseite
Sklep internetowy Shoper Premium