Handsteuerventil 80L 1-fach doppeltwirkend mit Schwimmstellung
Regular price:
Regular price:
product unavailable
zur Wunschliste hinzufügen
Beschreibung

Anwendung:
Das Handhebelventil ist an verschiedene Maschinentypen angepasst wie: Landmaschinen, Traktoren, Spritzen, HDS-Lader, Baumaschinen, Lader, Bagger, Kehrmaschinen, Industriemaschinen und andere hydraulisch gesteuerte Geräte.
Technische Daten:
- Empfohlener Öldurchfluss im System: 0 - 80 l/min.
- Steuerungsbeispiel: Hydraulikzylinder doppeltwirkend
- Möglichkeit der seriellen Anbindung an das bestehende System (Druckhülse erforderlich).
Steuerung:
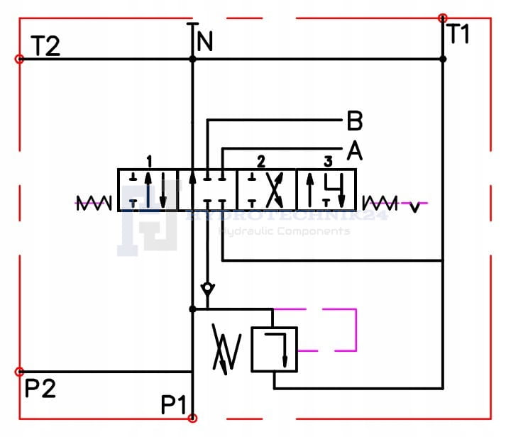
Hebel mit vier Stellungen (1 - 0 - 2 - 3), drei Stellungen (1 - 0 - 2) mit Federrückstellung (der Hebel kehrt von selbst in die Vertikale zurück), Stellung (3) mit Raste in Schwimmstellung (der Hebel stoppt in die Schwimmstellung):
- Nullstellung 0 (Hebel in senkrechter Stellung), die Kolbenstange des Hydraulikzylinder steht still - das Öl geht zum Überlauf.
- Arbeitsstellung 1 (Hebel schräg nach vorne gestellt), die Kolbenstange des Hydraulikzylinder fährt aus.
- Arbeitsstellung 2 (Hebel schräg nach hinten stellen), die Kolbenstange des Hydraulikzylinder fährt ein.
- Arbeitsstellung 3, schwimmend mit Raste (Hebel in der vorderen Position), die Kolbenstange des Hydraulikzylinder ist lose, fährt frei aus und unter Einfluss der einwirkenden Kräfte.


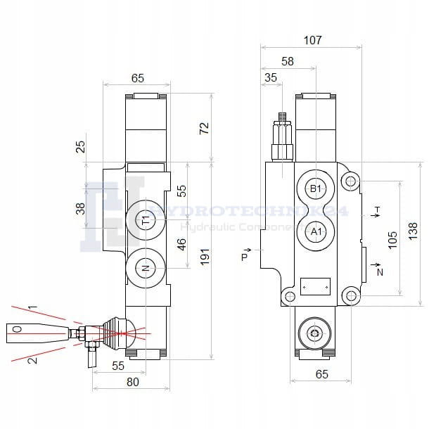
Verbindung:
- Anschlussgewinde P (Hydraulikpumpe): 1/2" Innengewinde
Anschlussgewinde T (Rücklauf/Öltank): 3/4" Innengewinde
Anschlussgewinde A und B (Hydraulikzylinder): 1/2" Innengewinde
Anschlussgewinde N (Druckweiterführung): 3/4" Innengewinde
Druckbereich:
- Maximaler Druck auf die Versorgung: 250Bar
- Maximaler Druck am Rücklauf: 50Bar
- Maximaler Druck auf den Abschnitten: 300Bar
- Druckbegrenzungsventil (DBV) ist werkseitig auf 180 Bar eingestellt Es wird empfohlen, den korrekten Druck vor der Inbetriebnahme zu überprüfen und einzustellen.
Empfohlener Öltemperaturbereich:
- Zulässige Umgebungstemperatur: -40 C bis +60 C
- Zulässige Öltemperatur: -15 C bis +80 C
Technische Daten
| Hersteller | Badestnost |
| Nenndurchfluss | 80 L/min |
| Die Anzahl der Sektionen | 1 |