Hydraulikmotor Orbitmotoren Typ BMT Schluckvolumen 630 cm3/Umdr, Max. Drehzahl 197 U/min, Leistung 1318 Nm, Zapfwelle
Regular price:
Regular price:
product unavailable
zur Wunschliste hinzufügen
Beschreibung

Anwendung:
- Wrapper, Feldhäcksler, Streuer
- Kehrmaschinen, Sandstreuer, Schneefräsen
- Blatt- und Astschaber
- Fördererantriebe
- Häcksler und Zerkleinerer von Zweigen
- Forstwinden und Fahrzeugwinden
- Bodenbohrgeräte
Technische Daten:
- Drehrichtung: beide Seiten
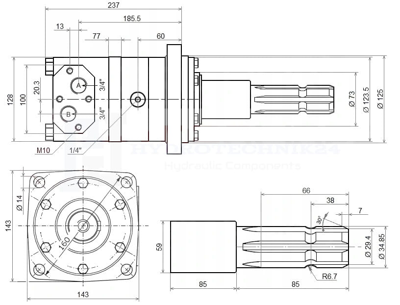
- Innengewinde im Gehäuse: BSP 3/4"
- Anschlüsse: seitliche Verbindung.
- Flansch mit 4 Löchern, Durchmesser Löchern 14 mm.
- Gehäusematerial: Gusseisen
Empfohlener Öltemperaturbereich:
- Zulässige Umgebungstemperatur: -40°C bis +80°C
- Zulässige Öltemperatur: -15°C bis +80°C
Eigenschaften und Vorteile von Hydrotechnik24 BMT Hydraulikmotoren:
- kann in Reihe und parallel geschaltet werden
- hohes Anlaufdrehmoment und reibungsloser Betrieb direkt nach dem Start
- hoher Widerstand gegen axiale und radiale Kräfte
- einfache Installation
- niedriger Geräuschpegel
- lange Lebensdauer auch unter rauen Einsatzbedingungen
Maximale Parameter im Dauerbetrieb:
- Maximaler Durchfluss: 125 l/min
- Maximale Drehzahl: 197 U/min
- Maximaler Druck: 140 bar
- Maximale Leistung: 24,3 kW
- Maximales Drehmoment: 1318 Nm
Maximale Parameter im temporären Betrieb maximal 6 Sekunden pro Minute:
- Maximaler Durchfluss: 150 l/min
- Maximale Drehzahl: 234 U/min
- Maximaler Druck: 160 bar
- Maximale Leistung: 27,5 kW
- Maximales Drehmoment: 1480 Nm
Die Gesamte serie von BMT Hydraulikmotoren – Unten drunter die Tabelle für alle motoren aus dieser serie:
| Produkt-Code |
Schluckvolumen |
Max. Drehzahl [U/min] |
Max. Drehmoment [Nm] |
Max. Kraftabgabe [kW] |
Max. Betriebsdruck |
Max. Öldurchfluss [L/min] |
|||||
| cont.* | int.** | cont.* | int.** | cont.* | int.** | cont.* | int.** | cont.* | int.** | ||
| BMT 160 | 161,1 | 622 | 775 | 470 | 560 | 26,5 | 32 | 200 | 240 | 100 | 125 |
| BMT 200 | 201,4 | 620 | 752 | 590 | 710 | 33,5 | 40 | 200 | 240 | 125 | 150 |
| BMT 250 | 251,8 | 496 | 601 | 730 | 880 | 33,5 | 40 | 200 | 240 | 125 | 150 |
| BMT 315 | 326,3 | 382 | 461 | 950 | 1140 | 33,5 | 40 | 200 | 240 | 125 | 150 |
| BMT 400 | 410,9 | 304 | 368 | 1080 | 1260 | 30 | 35 | 180 | 210 | 125 | 150 |
| BMT 500 | 523,6 | 238 | 289 | 1220 | 1370 | 26,5 | 30 | 160 | 180 | 125 | 150 |
| BMT 630 | 631,2 | 197 | 234 | 1300 | 1480 | 24,3 | 27,5 | 140 | 160 | 125 | 150 |
| BMT 800 | 800,3 | 154 | 185 | 1520 | 1670 | 20,2 | 26,8 | 140 | 160 | 125 | 150 |
cont.* - Maximale Parameter im Dauerbetrieb.
int.** - Maximale Parameter im kurzzeitigen Betrieb max. 6 Sekunden pro Minute.